日本地下探査鹿児島
技術紹介
会社案内
採用情報
お問い合わせ
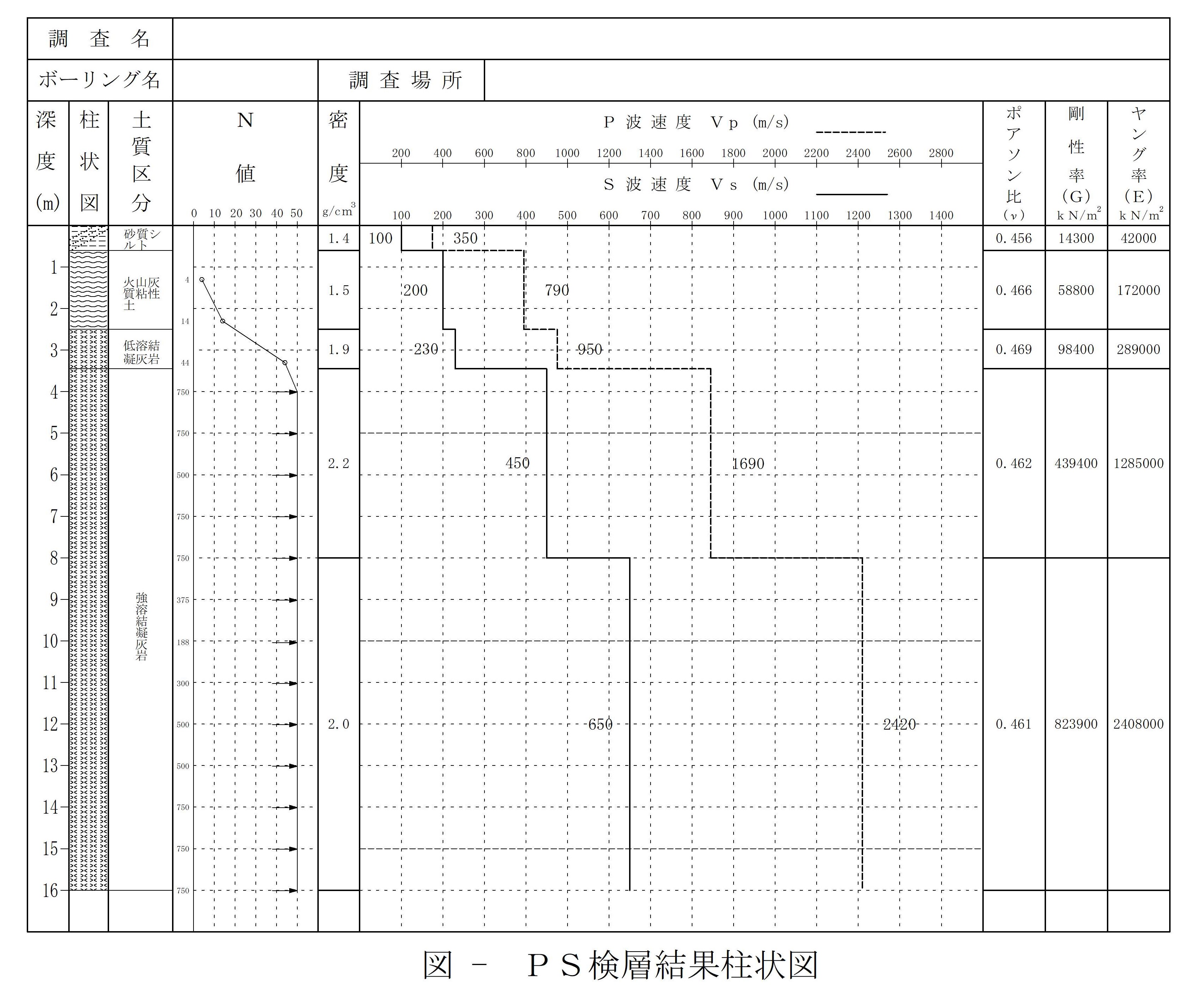
PS検層は、弾性波(P波・S波)を用いて孔内地盤の速度値を求める方法です。地表起振のダウンホール法、孔内起振のサスペンション法に分かれます。
支持層など地盤状況確認、耐震設計、液状化の判定など。